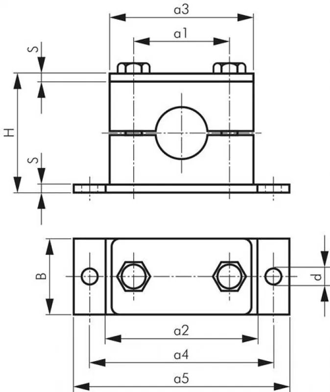
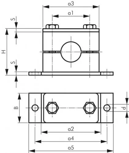
Leichte Hydac Rohrschellen mit Elastomereinsatz DIN 3015 T1 für Industrie und Maschinenbau
Hydac Rohrschellen mit Elastomereinsatz DIN 3015 T1 bieten eine leichte, stabile und vibrationsgedämpfte Befestigung für Rohrleitungen in Maschinenbau, Industrie und Laboren. Der Elastomereinsatz schützt Rohre vor Abrieb, reduziert Geräusche und erhöht die Lebensdauer der Rohrleitungen.
Produktvorteile:
-
Elastomereinsatz für Vibrations- und Geräuschdämpfung
-
Edelstahl oder verzinkter Stahl für Korrosionsbeständigkeit
-
Leichte Bauweise für einfache Montage
-
DIN 3015 T1 Norm für standardisierte Anwendung
-
In allen Größen verfügbar
Technische Daten:
-
Norm: DIN 3015 T1
-
Material: Edelstahl oder verzinkter Stahl, Elastomer
-
Abmessungen: alle Größen verfügbar
-
Farbe: Edelstahl / schwarz (Elastomer)
Einsatzbereiche:
Ideal für Rohrleitungen in Maschinenbau, Industrie, Lebensmittel- und Chemieanlagen.
Verwendungsbeispiele:
-
Befestigung von Hydraulik- und Pneumatikleitungen an Maschinen
-
Montage von Rohrleitungen in Fertigungs- und Produktionshallen
-
Vibrations- und Geräuschdämpfung in Rohrsystemen
-
Sicherung von Rohrleitungen in Laboren und Versuchsaufbauten
-
Schutz von Trinkwasser- oder Prozessleitungen in Lebensmittel- und Pharmaindustrie
Werkstoffe: Metallteile: Stahl blank / Stahl verzinkt, Schrauben: Stahl verzinkt, Schelle: Polypropylen, Elastomereinsatz: Chloropen-Kautschuk
Anwendung: Durch den Elastomereinsatz werden Druckstöße der Rohrleitung abgefangen. Wir empfehlen eine elastische Schlauchleitung in dem problembehafteten Rohrleitungsnetz einzusetzen.
Produktbewertung:
Zu diesem Produkt sind noch keine Bewertungen vorhanden. Bitte bewerten Sie unser Produkt. Diese kann weiteren Käufern bei Ihrer Kaufentscheidung helfen. Vielen Dank!
Die Bewertungen werden nicht auf Ihre Echtheit hin überprüft!














.png)