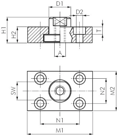
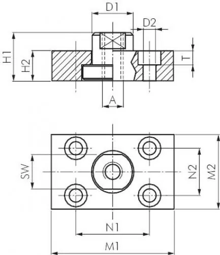
Flexokupplungen aus Stahl verzinkt mit Befestigungsplatte für ISO-Kompaktzylinder, alle Größen








frei Haus ab 35,00 € in (D) - Kein Mindestbestellwert!
Konto erstellen 
