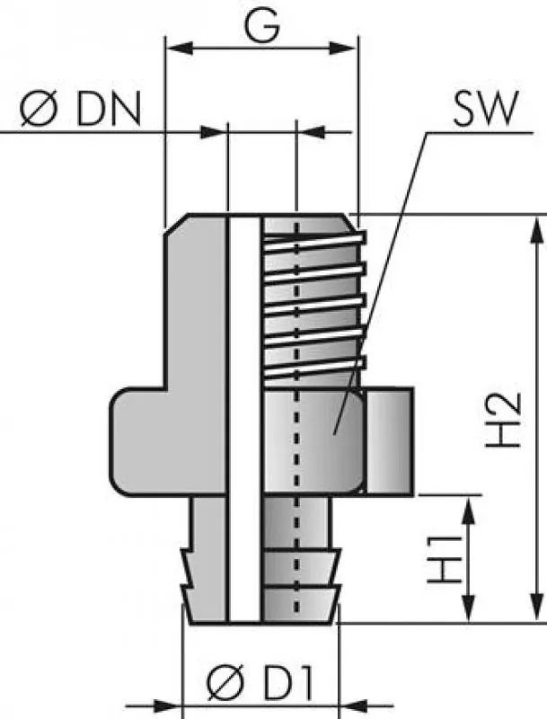
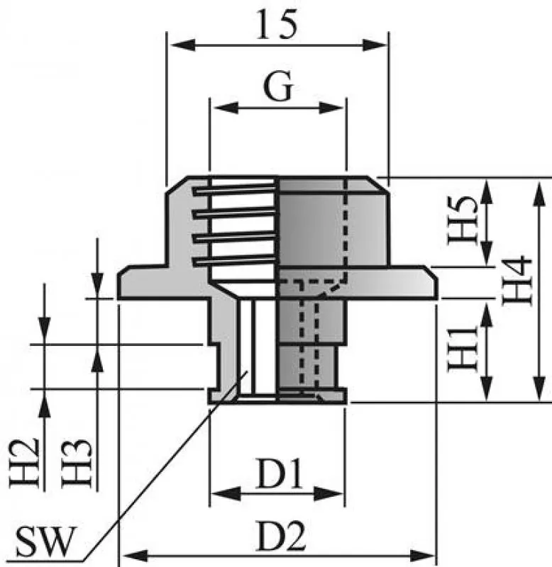
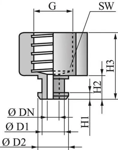
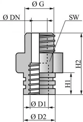
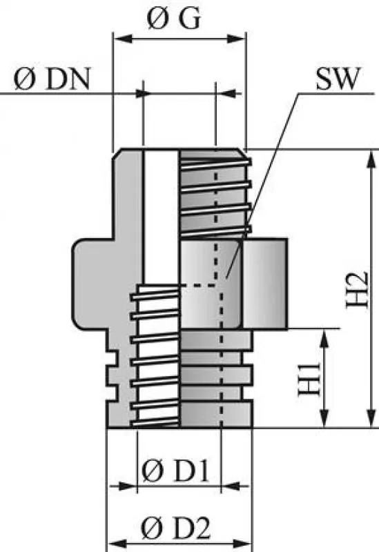
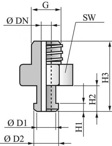
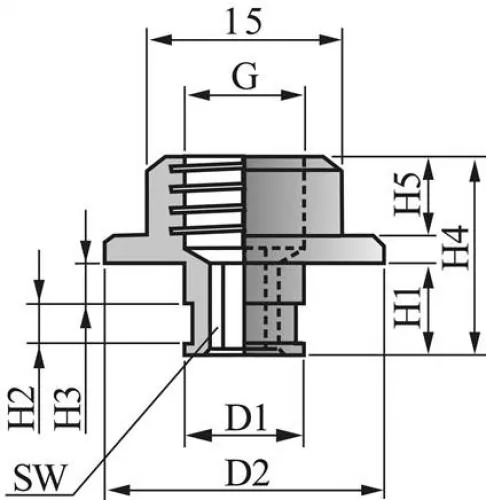
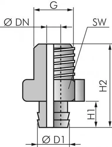
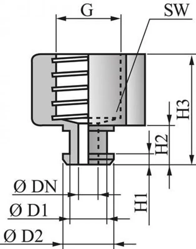
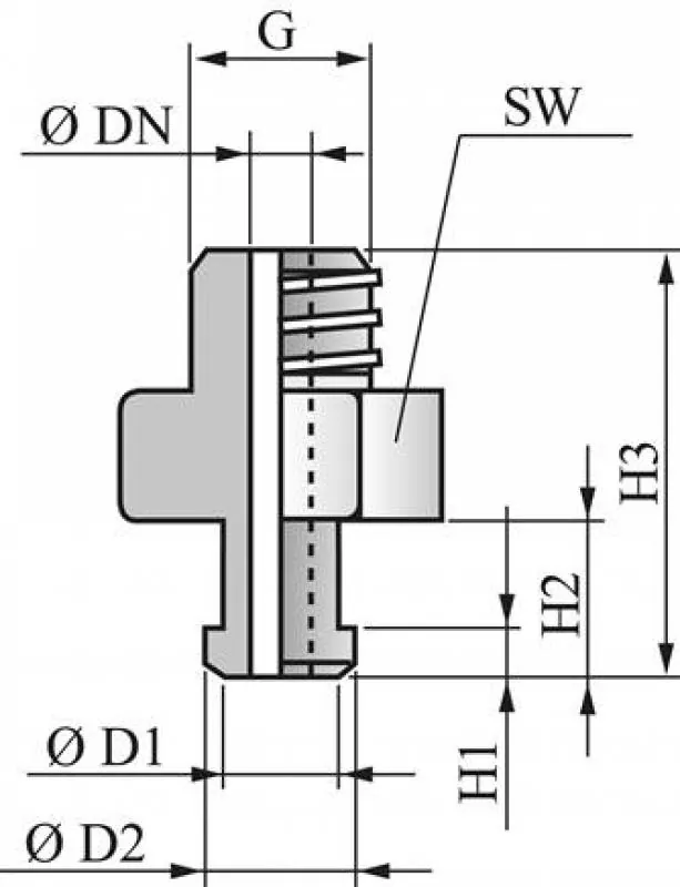
Saugerhalter für Flachsauger, Ovalsauger und Balgsauger P-Serie








frei Haus ab 35,00 € in (D) - Kein Mindestbestellwert!
Konto erstellen 
