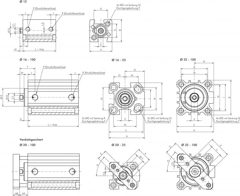
Pneumatik-Kurzhubzylinder doppeltwirkend mit verdrehgesicherter Kolbenstange, ND-Serie, alle Größen
NEU
![]()







frei Haus ab 35,00 € in (D) - Kein Mindestbestellwert!
Konto erstellen 
