Kompakte 3/2-Wege Micro-Modular Magnetventile in unterschiedlichen Anschlussvarianten. Ideal für präzise, platzsparende Pneumatiksteuerungen in Maschinen und Anlagen.
Die 3/2-Wege Micro-Modular Magnetventile sind für hochkompakte, präzise Pneumatiksteuerungen konzipiert. Durch ihre modulare Bauweise und die verschiedenen Anschlussvarianten eignen sie sich für:
-
automatisierte Maschinen
-
Handhabungstechnik
-
Medientechnik
-
Verpackungsmaschinen
-
Labor- & Mikroanwendungen
-
platzkritische Pneumatiksysteme
Sie ermöglichen schnelles, exaktes Schalten bei minimalem Bauraum, ideal dort, wo Standard-Magnetventile zu groß wären.
Werkstoffe:
Körper: Messing vernickelt, Innenteile: Messing / Edelstahl, Dichtung: FKM
Temperaturbereich:
-20°C bis max. +50°C
Betriebsdruck:
2/2-Wege: 0 - 15 bar, 3/2-Wege: 0 - 10 bar, Vakuum auf Anfrage
Nennweite:
1,3 mm
Schaltzeit:
Ein- und Ausschaltzeit: 12 ms
Leistungsaufnahme:
Gleichstrom: 6 W, Wechselstrom: 9 VA
Medien:
gefilterte Druckluft, neutrale Gase
Betriebsspannung:
Standard: 24 V=, 230 V AC, auf Wunsch: 12 V=, 24 V AC, 115 V AC
Vorteile:
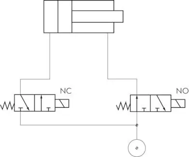
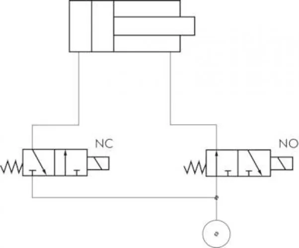
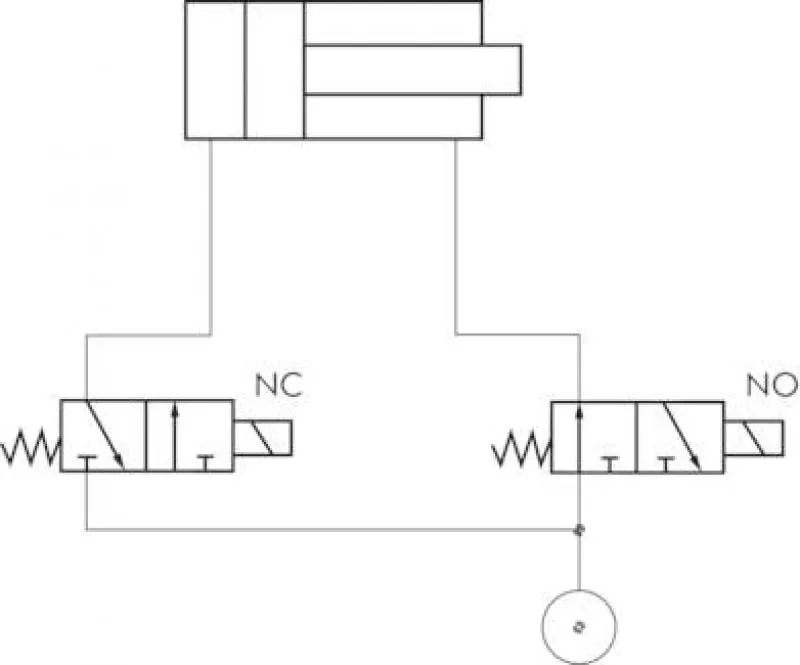
•günstiger Preis, •umfangreiche Einsatzmöglichkeiten, •kompakte Bauweise mit universeller Verwendung durch Austausch der Ringstücke (Sie benötigen nur noch den Grundkörper, 2/2-Wege oder 3/2-Wege Ventil, und können damit viele Arten von Ventilen durch die Ergänzung mit den Ringstücken erstellen), •2/2-Wege Ventile zum Be- bzw. Entlüften, •3/2-Wege Ventile als Steuerelement für einfachwirkende Zylinder 1 Ventil NC oder NO oder als Steuerelement für doppelwirkende Zylinder 1 Ventil NC und 1 Ventil NO
Bei der Auswahl der Ventile beachten Sie bitte folgendes:
Ventile der Baureihe M (Typen M ... und MO ...) haben die Luftversorgung immer am Außengewinde. Diese Ventile steuern demnach von einer zentralen Luftversorgung (Verteilerleiste) über den Schlauch bzw. Innengewinde einen Verbraucher. Ventile der Baureihe MZ (Typen MZ ... und MZO ...) haben die Luftversorgung immer über den Schlauch bzw. das Innengewinde. Diese Ventile können dadurch direkt am Zylinder oder dem zu steuernden Maschinenteil eingesetzt werden. Ein Vertauschen der Anschlüsse, auch beim 2/2-Wege Ventil, ist nicht möglich.
Achtung:
Zubehör wie Stecker für den elektrischen Anschluss (ST 01) und Schalldämpfer (SD 50) bitte separat bestellen!
Hinweis zur Produktsicherheitsverordnung n. Richlinie 2001/95/EG
Das Produkt wurde vor dem 13. Dezember 2024 vom Hersteller auf den Markt gebracht und von uns auch schon vor dem 13. Dezember 2024 zum Verkauf angeboten. Es besteht Konformität des Produkts nach Richlinie 2001/95/EG
Produktbewertung:
Zu diesem Produkt sind noch keine Bewertungen vorhanden. Bitte bewerten Sie unser Produkt. Diese kann weiteren Käufern bei Ihrer Kaufentscheidung helfen. Vielen Dank!
Die Bewertungen werden nicht auf Ihre Echtheit hin überprüft!














.png)