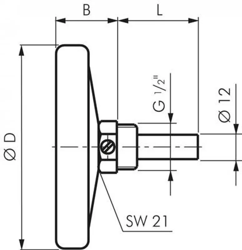
Messen Sie die Temperatur in Ihren Heizungs- und Sanitäranlagen zuverlässig und langlebig mit unseren Original WIKA Bimetallthermometern. Diese Instrumente im kompakten Nennmaß Ø 63 mm in waagerechter Bauform (Radialanschluss) kombinieren ein widerstandsfähiges Aluminiumgehäuse mit einem medienbeständigen Kupfer-Schutzrohr. Sie eignen sich ideal für die direkte Montage in Heizkesseln, Warmwasserspeichern und Rohrleitungen, die Wasser oder neutrale Fluide führen.
-
WIKA Markenqualität: Verlassen Sie sich auf die Präzision und Langlebigkeit des Weltmarktführers in der Messtechnik.
-
Kompakte Nenngröße Ø 63 mm: Ideal für platzsparende Einbausituationen mit guter Ablesbarkeit.
-
Robustes Aluminiumgehäuse: Stabiler als Kunststoffgehäuse, bietet besseren Schutz in industriellen Umgebungen.
-
Kupfer-Schutzrohr: Beständig gegen neutrale Medien wie Wasser – optimiert für HLK-Anwendungen (Nicht für aggressive Medien geeignet).
-
Genauigkeitsklasse 2,0: Zuverlässige Präzision nach EN 13190 für Standardmessaufgaben.
-
Verschiedene Eintauchlängen: Verfügbar mit unterschiedlichen Schutzrohrlängen und Gewindeanschlüssen (z. B. G 1/2") für flexible Installation.
Werkstoffe: Gehäuse: Aluminium, Schutzrohr: Kupferlegierung, Sichtscheibe: SAN (Kunststoff glasklar)













.webp)